pp酸計量箱
產品分類: 酸槽儲罐水箱
無錫泛普環保有限公司專業生產pp酸計量箱,材質為pp聚丙烯塑料,pp酸計量箱品牌:無錫泛普,容積:0.5-3m³均可製作,pp酸計量箱可選配磁翻板液位計、酸霧吸收器等,可用於貯存31%鹽酸藥劑。
訂購熱線:133 7621 7639
立即谘詢產品詳情
pp酸計量箱產品簡介
pp酸計量箱主要用於電廠的除鹽水係統中,陰陽混床離子再生時,需要通過酸噴射器吸入一定濃度的酸堿溶液(HCL鹽酸/NAOH氫氧化鈉)用於離子置換再生。pp酸計量箱用於存儲一定濃度的酸堿溶液,鹽酸和氫氧化鈉,具有較強的腐蝕性,pp酸計量箱具有防腐蝕、耐酸堿性能。

pp酸計量箱產品特點
- 操作壓力:常壓
- 操作溫度: -10~120℃
- 耐腐蝕性強、操作方便、使用壽命長
- 重量輕:對設備的運輸、安裝、維修均比較有利
pp酸計量箱設計規範
pp酸計量箱是電廠除鹽水係統內的樹脂再生設備之一,用於儲存每次再生所需的酸堿溶液。pp酸計量箱在儲存溶液的時候對介質的溫度、濃度及壓力有一定要求。
| 序號 | 名稱 | 單位 | pp酸計量箱 | 堿計量箱 |
| 1 | 工作壓力 | Mpa | 常壓 | 常壓 |
| 2 | 工作溫度 | ℃ | 常溫 | 常溫 |
| 3 | 儲液濃度 | % | HCL≤30 | NaOH30~40 |
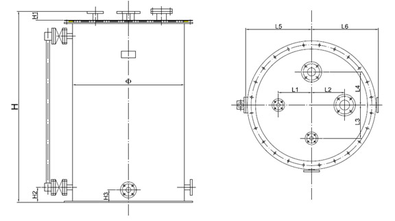
pp酸計量箱規格型號

pp酸計量箱尺寸數據表
|
容積 V(m3) |
直徑 Dg |
高度 h |
外形尺寸 | ||||
| DH×〥 | H | B | D1 | D2 | |||
| 0.10 | 500 | 500 | 510×5 | 955/807 | 355 | 620 | 400 |
| 0.16 | 500 | 800 | 510×5 | 1119/1107 | 355 | 620 | 400 |
| 0.25 | 600 | 900 | 610×5 | 1219/1207 | 410 | 720 | 450 |
| 0.40 | 700 | 1000 | 710×5 | 1323/1311 | 460 | 820 | 525 |
| 0.63 | 800 | 1250 | 810×5 | 1573/1561 | 510 | 920 | 600 |
| 1.00 | 900 | 1600 | 910×5 | 1923/1911 | 560 | 1020 | 675 |
| 1.25 | 1000 | 1600 | 1010×5 | 1931/1919 | 610 | 1120 | 750 |
| 1.60 | 1100 | 1700 | 1112×6 | 2034/2092 | 660 | 1220/1144 | 825 |
| 2.00 | 1200 | 1800 | 1212×6 | 2134/2186 | 710 | 1340/1244 | 900 |
| 2.50 | 1300 | 1900 | 1312×6 | 2338/2286 | 760 | 1475/1440 | 975 |
| 3.20 | 1400 | 2000 | 1412×6 | 2338/2386 | 810 | 1540/1444 | 1050 |
| 4.00 | 1600 | 2000 | 1612×6 | 2338/2386 | 910 | 1740/1644 | 1200 |
| 5.00 | 1800 | 2000 | 1816×6 | 2344/2316 | 1010 | 1940/1848 | 1350 |
| 6.30 | 2000 | 2000 | 2016×6 | 2348/- | 1110 | 2140/2048 | 1500 |
pp酸計量箱管口規格表
| 容積V(m3) |
接管規格 Dg |
|||||
| 0.1 | a | b | c | d | e | f |
| 0.16 | 25 | 25 | 32 | 25 | 32 | 32 |
| 0.25 | 25 | 25 | 32 | 25 | 32 | 32 |
| 0.40 | 25 | 25 | 32 | 25 | 32 | 32 |
| 0.63 | 25 | 25 | 32 | 25 | 32 | 32 |
| 1.00 | 25 | 25 | 32 | 32 | 32 | 32 |
| 1.25 | 32 | 25 | 50 | 25 | 32 | 32 |
| 1.60 | 32 | 25 | 50 | 25 | 32 | 32 |
| 2.00 | 32 | 25 | 50 | 25 | 32 | 32 |
| 2.50 | 32 | 25 | 50 | 25 | 32 | 32 |
| 3.20 | 32 | 25 | 50 | 25 | 32 | 32 |
| 4.0 | 32 | 25 | 50 | 25 | 32 | 32 |
| 5.0 | 50 | 25 | 80 | 25 | 50 | 50 |
| 6.3 | 50 | 25 | 80 | 25 | 50 | 50 |
| 0.1 | 50 | 25 | 80 | 25 | 50 | 50 |
pp酸計量箱安裝要求
- pp酸計量箱在運輸過程中可能會碰傷,使用前請進行檢測,確認設備完好後方能投入使用。
- 清除pp酸計量箱內部贓物。
- 按圖裝配pp酸計量箱液位計。
- pp酸計量箱進行現場灌水試驗。
- 在液位計上標定每次再生所需的再生液位。
- pp酸計量箱嚴禁碰撞,嚴禁直接在設備表麵做電焊操作。
- 一般情況下,pp酸計量箱應安裝在室內。

pp酸計量箱訂貨須知
定貨時寫明pp酸計量箱名稱、規格、數量。
pp酸計量箱配套設備
酸霧吸收器:利用酸霧易溶於水的特點,吸收HCL鹽pp酸計量箱溢出的酸霧。

酸堿噴射器:利用水噴射原理,原水加壓後經過噴射器,在吸藥口吸入一定濃度的鹽酸和氫氧化鈉溶液,達到稀釋和投加的目的。

二氧化碳吸收器:用於堿計量箱,阻止空氣中的二氧化碳進入堿計量箱,從而降低堿液的濃度。

濃硫酸儲罐吸濕器:安裝於濃硫酸儲罐頂部呼吸口,阻止空氣中的水份進入硫酸儲罐,降低硫酸純度,產生腐蝕性,防止腐蝕罐壁。

推薦資訊
- 2023-02-21無錫PP塑料水箱加工
- 2023-02-17pp堿洗塔的用途是什麼
- 2023-02-1510000m³/h風量噴淋塔直徑做多大?
- 2023-02-14什麼是酸霧吸收器
- 2023-02-13pp噴淋塔使用壽命多少年?
- 2023-02-13活性炭吸附箱炭層厚度要求
- 2023-02-11噴淋塔配套風機如何選擇?
- 2023-02-11Falasuye法拉pp塑料板材加工
- 2023-02-11硫酸儲罐吸濕器如何安裝?
- 2023-02-11上海蘇州PP塑料板雕刻開孔焊接加工
- 2023-02-11一款不用水噴淋的酸霧吸收器
- 2023-01-19什麼是噴淋塔
- 2023-01-19噴淋塔結構說明
- 2023-01-18pp塑料防腐水箱加工
- 2023-01-16氨氣吸收塔用哪種材質
- 2023-01-16如何定製pp吸風罩
推薦方案
-
實驗室尾氣如何處理
實驗室尾氣如何處理?泛普環保專業從事實驗室尾氣處理,提供實驗室尾氣處理的方案設計、設備製造及安裝服務。實驗室尾氣處理主要分析尾氣收集方式、尾氣的汙染因 -
通風櫥酸氣處理方案
無(wu)錫(xi)泛(fan)普(pu)環(huan)保(bao)專(zhuan)業(ye)從(cong)事(shi)實(shi)驗(yan)室(shi)通(tong)風(feng)櫥(chu)酸(suan)氣(qi)處(chu)理(li),生(sheng)產(chan)通(tong)風(feng)櫥(chu)酸(suan)氣(qi)處(chu)理(li)設(she)備(bei),通(tong)過(guo)安(an)裝(zhuang)小(xiao)型(xing)通(tong)風(feng)櫥(chu)酸(suan)氣(qi)處(chu)理(li)設(she)備(bei)解(jie)決(jue)通(tong)風(feng)櫥(chu)酸(suan)氣(qi)處(chu)理(li)問(wen)題(ti),解(jie)決(jue)了(le)實(shi)驗(yan)過(guo)程(cheng)中(zhong)通(tong)風(feng)櫥(chu)內(nei)酸(suan)氣(qi)揮(hui) -
實驗室廢氣處理
無錫泛普環保有限公司專業從事實驗室廢氣處理,提供實驗室廢氣處理方案設計、廢氣處理設備製作以及實驗室廢氣處理配套PP風管安裝,實驗室廢氣主要來自通風櫥、 -
汙水池加蓋廢氣收集處理
wuxifanpuhuanbaoyouxiangongsizhuanyecongshiwushuichijiagaifeiqishoujichuli,duiwushuichuliquyujiagaimifengfeiqishoujihoutongguofengjiyindaofeiqijinghuataneichulihoupaifang,fanpuhuanbaotigongwushuichijiagaifeiqishouji -
皮革加工車間廢氣處理
無錫泛普環保有限公司采用噴淋塔及生物除臭滴濾塔的工藝解決皮革加工車間惡臭廢氣,皮革加工車間惡臭主要來源於皮毛庫,水場及汙水處理站,主要廢氣為硫化氫,氨 -
酸洗廢氣處理
無錫泛普環保有限公司專業提供酸洗廢氣處理,酸洗廢氣處理首選需要計算風量,根據酸洗廢氣的風量來設計噴淋塔、PP管路以及風機和加藥係統,酸洗廢氣處理煙囪需 -
硫酸霧廢氣處理
無錫泛普環保有限公司專業從事硫酸霧廢氣處理,采用水噴淋加藥吸收原理,在噴淋塔的填料層噴入一定濃度的堿溶液,發生酸堿中和反應,處理硫酸酸霧廢氣後達標排放 -
硝酸霧黃煙處理
無錫泛普環保有限公司專業從事硝酸霧黃煙處理,采用噴淋塔原理,前端設計pp吸風罩收集硝酸霧黃煙,通過風機將硝酸霧黃煙廢氣引到噴淋塔內加藥處理,硝酸霧黃煙
熱銷產品
文章排行
聯係我們
- 無錫泛普環保有限公司
- 電話:133 7621 7639
- 傳真:0510-8783 1051
- 郵箱:
- 地址:無錫市宜興市高塍鎮環保城11幢16號












