上海電氣電站輔機廠酸洗廢氣處理
- 發表時間:2022-12-16
- 來源:泛普環保
- 人氣:
上海電氣電站輔機廠項目描述
上(shang)海(hai)電(dian)氣(qi)電(dian)站(zhan)輔(fu)機(ji)廠(chang)位(wei)於(yu)浦(pu)東(dong)臨(lin)港(gang)新(xin)城(cheng),屬(shu)於(yu)重(zhong)裝(zhuang)備(bei)產(chan)業(ye)園(yuan)去(qu),生(sheng)產(chan)電(dian)站(zhan)輔(fu)機(ji),其(qi)中(zhong)壓(ya)力(li)容(rong)器(qi)出(chu)廠(chang)前(qian)需(xu)要(yao)對(dui)金(jin)屬(shu)表(biao)麵(mian)酸(suan)洗(xi)鈍(dun)化(hua)處(chu)理(li)。壓(ya)力(li)容(rong)器(qi)為(wei)不(bu)鏽(xiu)鋼(gang)材(cai)質(zhi),根(gen)據(ju)產(chan)品(pin)質(zhi)量(liang)要(yao)求(qiu),需(xu)在(zai)出(chu)廠(chang)前(qian)對(dui)不(bu)鏽(xiu)鋼(gang)產(chan)品(pin)進(jin)行(xing)酸(suan)洗(xi)鈍(dun)化(hua)處(chu)理(li)。通(tong)過(guo)酸(suan)洗(xi)鈍(dun)化(hua),使(shi)鐵(tie)及(ji)鐵(tie)的(de)氧(yang)化(hua)物(wu)比(bi)鉻(ge)和(he)鉻(ge)的(de)氧(yang)化(hua)物(wu)優(you)先(xian)溶(rong)解(jie),去(qu)掉(diao)貧(pin)鉻(ge)層(ceng),使(shi)不(bu)鏽(xiu)鋼(gang)表(biao)麵(mian)富(fu)鉻(ge),在(zai)鈍(dun)化(hua)作(zuo)用(yong)下(xia)使(shi)表(biao)麵(mian)產(chan)生(sheng)完(wan)成(cheng)穩(wen)定(ding)的(de)鈍(dun)化(hua)膜(mo),提(ti)高(gao)不(bu)鏽(xiu)鋼(gang)產(chan)品(pin)抗(kang)腐(fu)蝕(shi)的(de)穩(wen)定(ding)性(xing)。那(na)麼(me)在(zai)酸(suan)洗(xi)的(de)過(guo)程(cheng)中(zhong)會(hui)產(chan)生(sheng)酸(suan)霧(wu)廢(fei)氣(qi),泛(fan)普(pu)環(huan)保(bao)提(ti)供(gong)上海酸洗廢氣處理,主要有方案設計、產品製造及安裝調試服務。
酸洗工藝流程
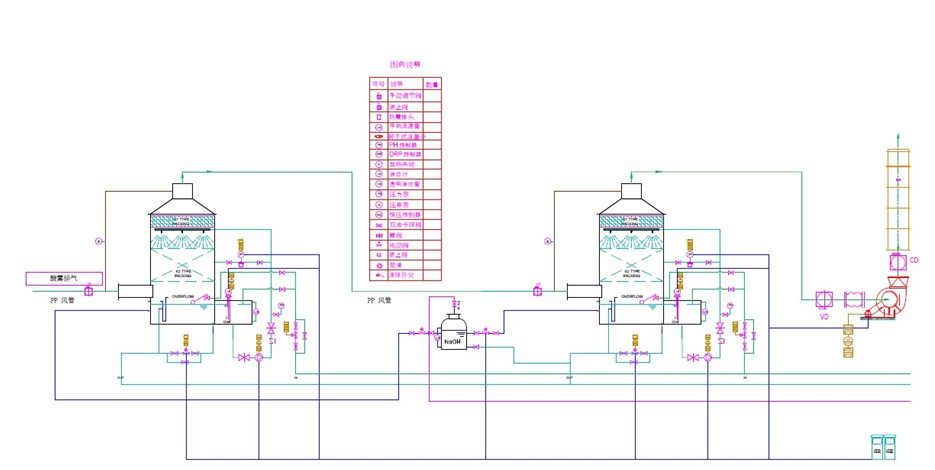
因本項目需表麵處理的工件尺寸較大(最大平麵尺寸Φ3500×6000m),無法使用常規的浸入式酸洗工藝,故而采用配置酸洗液塗刷方式進行表麵處理,酸洗液主要成分為硝酸、氫氟酸。上海酸洗廢氣處理具體操作工藝流程詳見下圖:

-
預清洗
預清洗工藝主要包括抹布擦洗和自來水衝洗兩個過程。先使用抹布和除油清潔劑在不鏽鋼工件表麵進行擦拭除油,該過程產生廢抹布S4;抹布清潔後使用自來水對工件表麵進行衝洗,本過程產生預清洗廢水W2,廢水中主要汙染物為CODCr、陰離子表麵活性劑、石油類及SS。
-
酸洗液酸洗
通過將酸洗液均勻塗刷於工件表麵,酸洗液在常溫下停留一段時間,停留時間根本不同產品的需求而確定,該過程產生G7酸洗廢氣;
-
擦拭
酸洗鈍化過程達到操作規程規定的停留時間後,使用回絲將工件表麵擦拭幹淨,產生S5廢棄回絲;
-
高壓衝洗
工件表麵擦拭完成後使用高壓水槍對工件表麵進行衝洗,產生W3衝洗廢水,該廢水中含有一定濃度的Fe、Cr、Ni等金屬離子以及氟離子和硝酸根;
-
風幹
經酸洗表麵處理後的工件風幹進行檢查,合格產品即可入庫,不合格產品返回處理。
以yi上shang為wei酸suan洗xi步bu驟zhou,現xian需xu要yao在zai上shang海hai電dian氣qi電dian站zhan輔fu機ji廠chang車che間jian內nei新xin建jian酸suan洗xi區qu域yu,安an裝zhuang酸suan霧wu收shou集ji裝zhuang置zhi及ji酸suan霧wu淨jing化hua係xi統tong,當dang前qian年nian廢fei氣qi排pai放fang量liang不bu詳xiang,提ti供gong酸suan洗xi藥yao劑ji使shi用yong數shu據ju如ru下xia:
|
年份 |
氫氟酸 |
硝酸 |
年使用天數 |
每次使用時間 |
|
2016 |
438kg |
273kg |
79天 |
3小時 |
|
2017 |
380kg |
211kg |
86天 |
3小時 |
設計範圍
本工程為上海酸洗廢氣處理gongcheng,shejifanweishiweixinjiansuanxiquyutigongpeitaodesuanwufeiqishoujizhuangzhijisuanwufeiqichulichengtaoshebei,congfeiqishoujikaishizhifeiqipaichukouweizhidechuligongyi、結構、dianqidengzhuanyesheji。jianlizidonghuakongzhixitong,yidadaojienenghuanbaomude,yunxingluojizhinenghua,fuhexiandaifeiqijinghuaxitongyaoqiu。duixitongpeizhizidongjiayaoxitong,shixiangenjuPH值數據變化自動投加藥劑。
排放標準
上海酸洗廢氣處理排放標準,執行《上海市大氣汙染物綜合排放標準》(DB31/933-2015)中的標準,此標準高於國家GB標準,屬於上海地方標準。
|
汙染物 |
最高允許排放濃度(mg/m3) |
最高允許排放速率(kg/h) |
無組織排放監控濃限值 |
依據 |
||
|
排氣筒高度(m) |
排放量 |
監控點 |
濃度(mg/m3) |
|||
|
氮氧化物 |
200 |
15 |
0.47 |
廠界 |
0.12 |
《大氣汙染物綜合排放排放標準》(DB31/933-2015) |
|
氟化物 |
5.0 |
15 |
0.073 |
廠界 |
0.030 |
|
|
硝酸霧 |
30 |
15 |
1.5 |
廠界 |
0.40 |
|
上海酸洗廢氣處理酸霧的收集
本項目酸洗處理的工件尺寸較大(最大平麵尺寸Φ3500×6000m),采(cai)用(yong)的(de)是(shi)刷(shua)塗(tu)式(shi)酸(suan)洗(xi)操(cao)作(zuo)方(fang)式(shi),本(ben)次(ci)設(she)計(ji)主(zhu)要(yao)針(zhen)對(dui)該(gai)酸(suan)洗(xi)區(qu)域(yu)密(mi)封(feng)處(chu)理(li),經(jing)過(guo)後(hou)端(duan)的(de)引(yin)風(feng)機(ji)引(yin)風(feng)在(zai)該(gai)密(mi)封(feng)區(qu)域(yu)形(xing)成(cheng)負(fu)壓(ya)效(xiao)果(guo),保(bao)證(zheng)酸(suan)洗(xi)棚(peng)內(nei)的(de)酸(suan)霧(wu)不(bu)外(wai)溢(yi)。
上海酸洗廢氣處理排風量的確定酸洗區域利用收拉式密閉幕簾設施收集酸霧廢氣,總的換氣次數以20次/小時計算,可以滿足排氣要求。
A、酸洗區域空間計算
酸洗區域尺寸(長寬高)13米x7米x6米,得到空間總容積為546立方米
B、排氣風量計算
該區域在酸洗過程中需要維持負壓運行,空間體積乘以換氣次數得到排風量; 排風量為:546m³x20次/小時=10920立方米/小時 漏風率係數取10%,得到漏風量為1092立方米/小時 總的排風量為:10920+1092=12012立方米/小時, 取整後排風量設計為12000立方/小時 注意:如果同步建設廢液處理係統,部分廢液池、壓濾機、汙泥存放間會有廢氣溢出,如需收集處理,需要增加該風量,具體參考後期廢液處理方案進行風量設計。

酸洗過程中所產生的廢氣,經收集係統導入pp堿洗塔,流經填充層時,洗滌液自噴嘴均勻噴灑於填充材之表麵以保濕潤;同tong時shi酸suan霧wu廢fei氣qi與yu堿jian性xing洗xi滌di液ye在zai充chong分fen潤run濕shi的de填tian充chong層ceng相xiang互hu接jie觸chu,由you物wu理li與yu化hua學xue吸xi收shou作zuo用yong將jiang廢fei氣qi中zhong之zhi汙wu染ran物wu吸xi收shou於yu洗xi滌di液ye,達da到dao去qu除chu汙wu染ran物wu質zhi的de目mu的de;
然後此飽含水份的氣體必須經過除霧層除去多餘水份;經過堿洗塔洗淨並移除水份後的潔淨氣體即可直接排放至大氣之中,而所移除之水份同時被導回循環洗滌液係統重新回收使用。

上海酸洗廢氣處理主要設備說明
酸洗液均勻塗刷於工件表麵,在常溫下停留一段時間,酸洗液為人工配置,揮發出的酸霧含有硝酸、氫氟酸。
在後端配置引風機抽風在酸洗棚內形成負壓,根據前麵章節設計酸洗棚內總的抽風量為12000CMH( 立方米/小時),在後端酸霧廢氣處理方麵無錫泛普環保有限公司設計采用2套立式噴淋塔,由於項目位於上海城市,塔體需室外落地安裝,選用PP聚丙烯材質耐酸堿腐蝕。
廢氣管道同樣采用PP聚丙烯風管,引風機采用1台FRP玻璃鋼材質,由於廢氣成份中含有HF氫氟酸,對玻璃鋼材質具有一定的腐蝕性,泛普環保公司在FRP玻璃鋼風機內壁做抗氫氟酸塗層處理,噴淋塔水箱內各嵌入1台耐酸堿立式水泵。
整個係統運行過程中需要在堿洗塔內噴淋質量濃度在10%~15%的NaOH溶液,我公司設計成全自動加藥係統,根據塔內PH值的變化自動投加NAOH溶液。係統的運行控製集成在一套電控箱內,通過控製箱麵板能夠實時檢查風機、水泵、液位、加藥係統狀態。

上海酸洗廢氣處理設備清單
- 堿洗塔
- 堿洗塔填料
- 防腐立式水泵
- frp玻璃鋼風機
- pp風管
- 全自動堿液加藥裝置
- 煙囪
寫在最後
上海電氣屬於國營企業,旗下的電站輔機廠更式屬於上海老牌企業,曆史悠久,為全國電廠生產電站輔機設備,經過多次的技術交底、方案比較最終招投標的方式選擇無錫泛普環保有限公司酸洗廢氣處理方案和報價。
經jing過guo數shu月yue的de生sheng產chan製zhi造zao及ji安an裝zhuang調tiao試shi,無wu錫xi泛fan普pu完wan成cheng上shang海hai電dian站zhan輔fu機ji廠chang的de酸suan洗xi排pai氣qi工gong程cheng,經jing過guo環huan保bao局ju監jian測ce以yi及ji上shang海hai華hua測ce的de環huan保bao監jian測ce符fu合he環huan境jing上shang海hai大da氣qi汙wu染ran物wu綜zong合he排pai放fang標biao準zhun,順shun利li驗yan收shou。

- 2023-02-21無錫PP塑料水箱加工
- 2023-02-17pp堿洗塔的用途是什麼
- 2023-02-1510000m³/h風量噴淋塔直徑做多大?
- 2023-02-14什麼是酸霧吸收器
- 2023-02-13pp噴淋塔使用壽命多少年?
- 2023-02-13活性炭吸附箱炭層厚度要求
- 2023-02-11噴淋塔配套風機如何選擇?
- 2023-02-11Falasuye法拉pp塑料板材加工
- 2023-02-11硫酸儲罐吸濕器如何安裝?
- 2023-02-11上海蘇州PP塑料板雕刻開孔焊接加工
- 2023-02-11一款不用水噴淋的酸霧吸收器
- 2023-01-19什麼是噴淋塔
- 2023-01-19噴淋塔結構說明
- 2023-01-18pp塑料防腐水箱加工
- 2023-01-16氨氣吸收塔用哪種材質
- 2023-01-16如何定製pp吸風罩
-
pp水箱
無錫泛普環保有限公司專業生產pp水箱,容積:1-30m³,pp水箱結構有方形、圓形,pp水箱可用於貯存酸、堿溶液,防腐耐酸堿性能好,pp水箱重量輕,結實耐用,使用壽命長,價格優惠。 -
濃硫酸儲罐脫水器
無(wu)錫(xi)泛(fan)普(pu)環(huan)保(bao)有(you)限(xian)公(gong)司(si)專(zhuan)業(ye)生(sheng)產(chan)濃(nong)硫(liu)酸(suan)儲(chu)罐(guan)脫(tuo)水(shui)器(qi),安(an)裝(zhuang)於(yu)濃(nong)硫(liu)酸(suan)儲(chu)罐(guan)頂(ding)部(bu),采(cai)用(yong)幹(gan)式(shi)填(tian)料(liao)吸(xi)附(fu)原(yuan)理(li),濃(nong)硫(liu)酸(suan)儲(chu)罐(guan)脫(tuo)水(shui)器(qi)作(zuo)用(yong)是(shi)阻(zu)止(zhi)空(kong)氣(qi)中(zhong)的(de)水(shui)份(fen)進(jin)入(ru)硫(liu)酸(suan)儲(chu)罐(guan)。 -
小型廢氣淨化塔
無錫泛普生產的小型廢氣淨化塔適用於廢氣排放量較小的環境,如:實驗室通風櫥車間機台酸洗等行業小型廢氣淨化塔價格便宜采用噴淋填料淨化的原理含填料循環泵以及噴淋管路. -
堿液中和式酸霧吸收器
堿液中和式酸霧吸收器是用於鹽酸儲罐或者計量箱排氣口溢出酸霧吸收處理采用的是酸堿中和原理,廠家:無錫泛普 型號:GST-3/5/10/20/30/50酸霧通入堿液中和式酸霧吸收器內鼓泡中和後排放. -
二氧化碳吸收器
無(wu)錫(xi)泛(fan)普(pu)環(huan)保(bao)有(you)限(xian)公(gong)司(si)專(zhuan)業(ye)生(sheng)產(chan)二(er)氧(yang)化(hua)碳(tan)吸(xi)收(shou)器(qi),安(an)裝(zhuang)於(yu)儲(chu)罐(guan)呼(hu)吸(xi)口(kou),其(qi)作(zuo)用(yong)是(shi)阻(zu)止(zhi)空(kong)氣(qi)中(zhong)的(de)二(er)氧(yang)化(hua)碳(tan)進(jin)入(ru)儲(chu)罐(guan)內(nei),二(er)氧(yang)化(hua)碳(tan)吸(xi)收(shou)器(qi)采(cai)用(yong)幹(gan)式(shi)填(tian)料(liao)吸(xi)收(shou)原(yuan)理(li),吸(xi)收(shou)效(xiao)率(lv)高(gao),谘(zi)詢(xun)電(dian)話(hua): -
酸霧吸收器
無錫泛普環保有限公司專業生產酸霧吸收器,品牌:泛普 型號:WST-1/3/5/10/20/30,酸霧吸收器采用水噴淋的方式,用於吸收鹽酸儲罐排氣口溢出的酸霧,酸霧淨化效率高。 -
活性炭吸附箱
無錫泛普環保有限公司專業生產活性炭吸附箱,提供活性炭吸附箱數據計算,外形尺寸以及安裝圖紙,活性炭吸附箱用於處理Vocs有機廢氣,成本低、吸附效率高。 -
pp堿洗塔
無錫泛普環保有限公司專業生產pp堿洗塔,用於車間酸霧廢氣處理,pp堿洗塔理風量30-1000立方米/分鍾,pp堿洗塔塔徑500-3200mm,采用堿液噴淋至填料層,酸堿中和吸收原理。
- 無錫泛普環保有限公司
- 電話:133 7621 7639
- 傳真:0510-8783 1051
- 郵箱:
- 地址:無錫市宜興市高塍鎮環保城11幢16號


